The Designer's Guide Community
Forum
Welcome, Guest. Please Login or Register. Please follow the Forum guidelines.
Nov 9th, 2025, 11:48am
Pages: 1
Send Topic Print
Working with Current in Wheatstone Bridge (Read 7310 times)
evan123
New Member
*
Offline



Posts: 5

Working with Current in Wheatstone Bridge
Feb 18th, 2018, 12:26am
 
1. The problem statement,
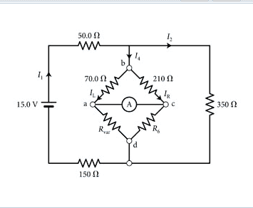
all variables and given/known data The ammeter in the Wheatstone bridge of measures zero current when the resistance Rvar of the variable resistor is set to 193Ω . What is the current IL through the left side of the bridge?

2. Relevant equations

V1 + V2 + V3 + V4 + ..... + VN = E Rx = Rvar*R3/R1



3. The attempt at a solution

To start, I calculated the equivalent resistance of the diamond part in the center, which is ( 1 70 + 139 + 1 210 + 579 ) − 1 (170+139+1210+579)−1, where I calculated the R6 to be 579 Ω.

I used this and V1 + V2 + V3 + V4 + ..... + VN = E to find the voltage across the whole diamond part (using Kirchoff's Current Rule). The current into the diamond should be equivalent to the one out of it, 0.04 A. Using this knowledge, and the voltage I calculated across the diamond part, and divided it by the equivalent resistance on the left side, which should give me current. I found the current on the right side the same way, and sure enough they added to 0.04 A. I got an answer of 0.02382 A for the left side, which is wrong.
Back to top
 
 
View Profile WWW   IP Logged
Pages: 1
Send Topic Print
Copyright 2002-2025 Designer’s Guide Consulting, Inc. Designer’s Guide® is a registered trademark of Designer’s Guide Consulting, Inc. All rights reserved. Send comments or questions to editor@designers-guide.org. Consider submitting a paper or model.